文档
-
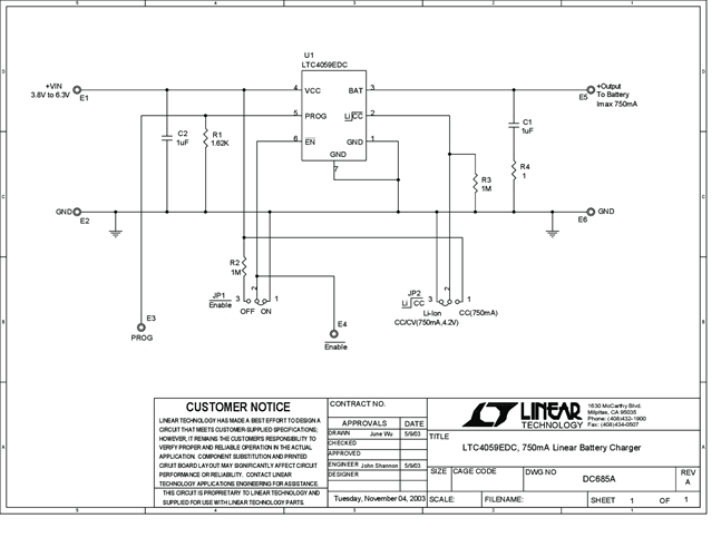
DC685A - Schematic2009/9/24PDF51K
-
DC685A - Demo Manual2009/9/24PDF93K
-
DC685A - Design File2009/9/24ZIP394K
