文档
-
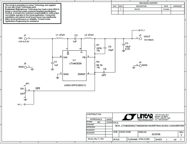
DC670A - Schematic2009/9/24PDF61K
-
DC670A - Demo Manual2009/9/24PDF294K
-
DC670A - Design File2009/9/24ZIP802K
