文档
-
Hot Swap Controllers2023/8/2PDF0 M
-
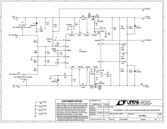
DC665A - Schematic2009/9/24PDF60K
-
DC665A - Demo Manual2009/9/24PDF142K
-
DC665A - Design File2009/9/24ZIP335K
