文档
-
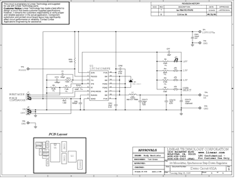
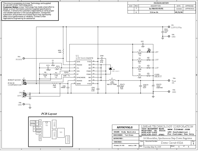
DC652A - Schematic2009/9/24PDF64K
-
DC652A - Demo Manual2009/9/24PDF388K
-
DC652A - Design File2009/9/24ZIP1M
