文档
-
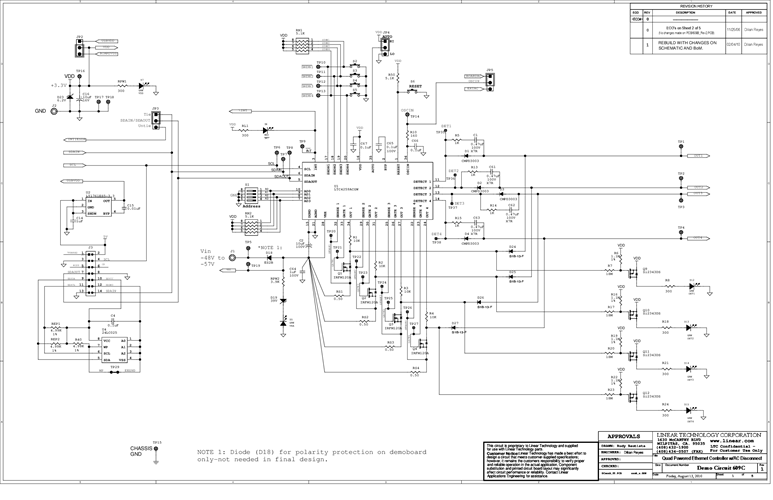
DC609C - Schematic2011/1/13PDF173K
-
DC609C - Demo Manual2011/1/13PDF359K
-
DC609C - Design Files2011/1/13ZIP2M
