文档
-
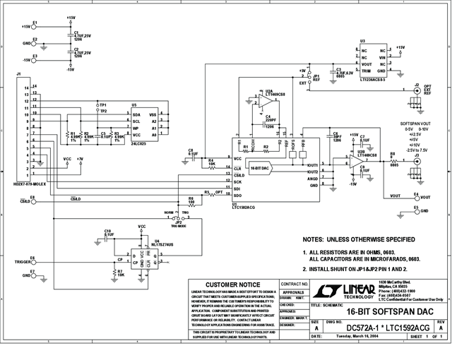
DC572A - Schematic2009/9/24PDF78K
-
DC572A - Demo Manual2009/9/24PDF405K
-
DC572A - Design File2009/9/24ZIP594K





