概览
产品详情
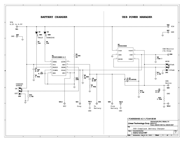
DC567A:具有热调节功能的LTC4053-4.2 USB兼容锂离子电池充电器演示板。
相关产品
文档
-
DC567A - Schematic2009/9/24PDF89K
-
DC567A - Demo Manual2009/9/24PDF234K
-
DC567A - Design File2009/9/24ZIP763K
