概览
产品详情
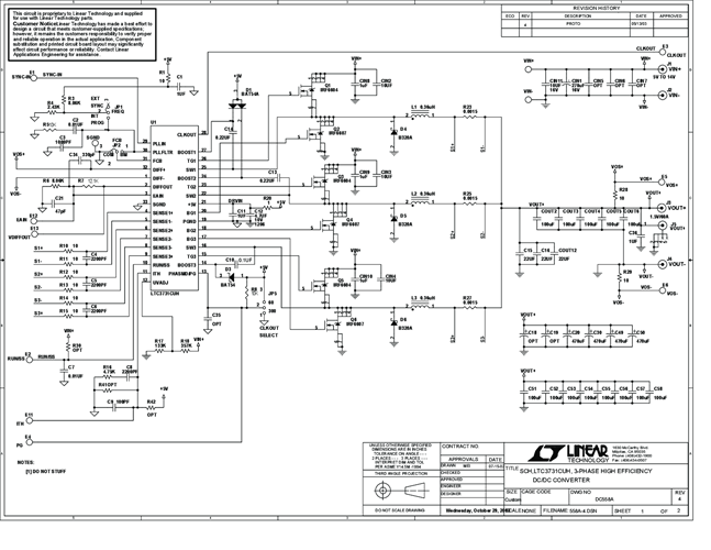
Demonstration circuit 558 is a high current step-down PolyPhaseTM converter featuring the LTC3731 three phase synchronous buck controller. The demo circuit input voltage is from 5V to 14V and output is 1.5V/60A.
相关产品
文档
-
DC558A - Schematic2009/9/24PDF164K
-
DC558A - Demo Manual2009/9/24PDF142K
-
DC558A - Design File2009/9/24ZIP1M
