文档
-
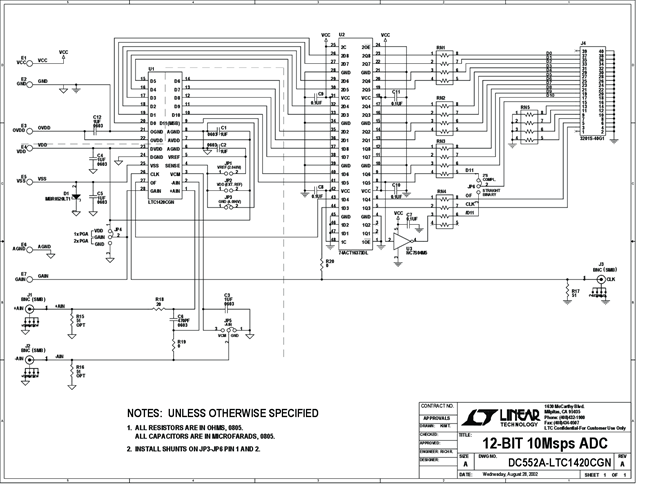
DC552A - Schematic2009/9/24PDF75K
-
DC552A - Demo Manual2009/9/24PDF428K
-
DC552A - Design File2009/9/24ZIP652K
