概览
产品详情
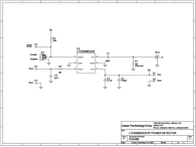
DC539B演示板用于评估集成输出缓冲器和电压基准源的LTC5509 RF功率检波器。LTC5509将引脚6 (RF)上的RF输入信号转换为引脚3 (VOUT)上的直流电压。RF输入频率范围为300 MHz至3000 MHz。最大输入功率为8 dBm。VOUT输出电压将在初始直流值通常为250mV时启动。施加RF信号时,输出电压将增加。
相关产品
文档
-
DC539B - Schematic2014/10/10PDF40K
-
DC539B - Design Files2014/10/10ZIP599K
-
DC539B - Demo Manual2014/10/10PDF103K




