概览
产品详情
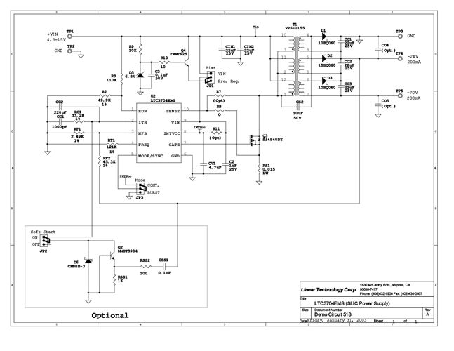
演示电路518是一款SLIC(用户线路接口电路)正输入至负输出转换器,内置LTC3704开关控制器。DC518将4.5V至15V输入转换为–24V (200mA)和–70V (200mA)输出。该演示板使用具有三个并联原边绕组的变压器以生成三个–24V输出电压。通过将电压彼此叠加可获得–70V ±10%。该演示板在200kHz下工作,具有高达92%的高效率。
相关产品
文档
-
DC518A - Schematic2009/9/24PDF108K
-
DC518A - Demo Manual2009/9/24PDF244K
-
DC518A - Design File2009/9/24ZIP941K
