文档
-
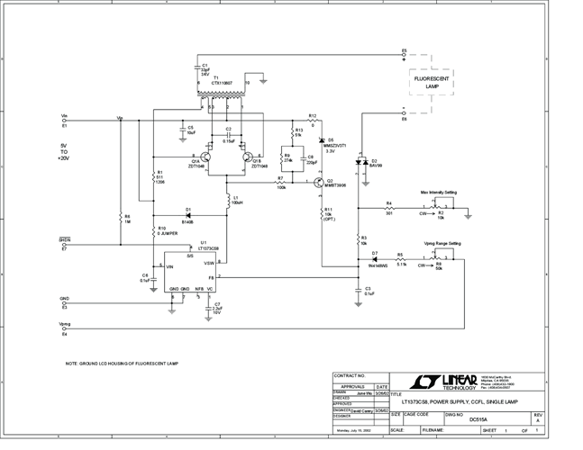
DC515A - Schematic2009/9/24PDF42K
-
DC515A - Demo Manual2009/9/24PDF350K
-
DC515A - Design File2009/9/24ZIP499K
