概览
产品详情
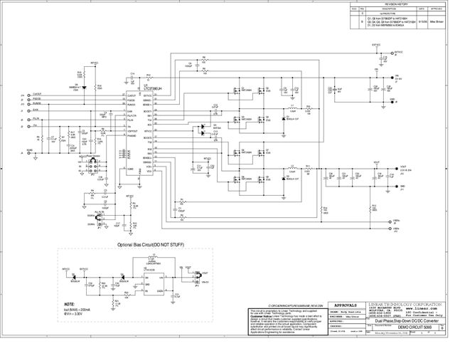
演示电路509是一款单路输出降压转换器,内置LTC3729EUH。LTC3729EUH是一款具有250kHz至550kHz频率范围的双相控制器,采用32引脚5mm × 5mm QFN封装。QFN封装具有焊接到PCB的裸露底部焊盘,并提供具有低热阻的LTC3729EUH。DC509的输入电压范围是5V至14V,输出电压是2.5V且具有25A的负载额定值。
相关产品
文档
-
DC509B - Schematic2009/9/24PDF72K
-
DC509B - Demo Manual2009/9/24PDF591K
-
DC509B - Design File2009/9/24ZIP1M
