文档
-
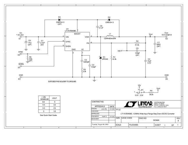
DC502A - Schematic2009/9/24PDF18K
-
DC502A - Demo Manual2009/9/24PDF235K
-
DC502A - Design File2009/9/24ZIP605K
