概览
产品详情
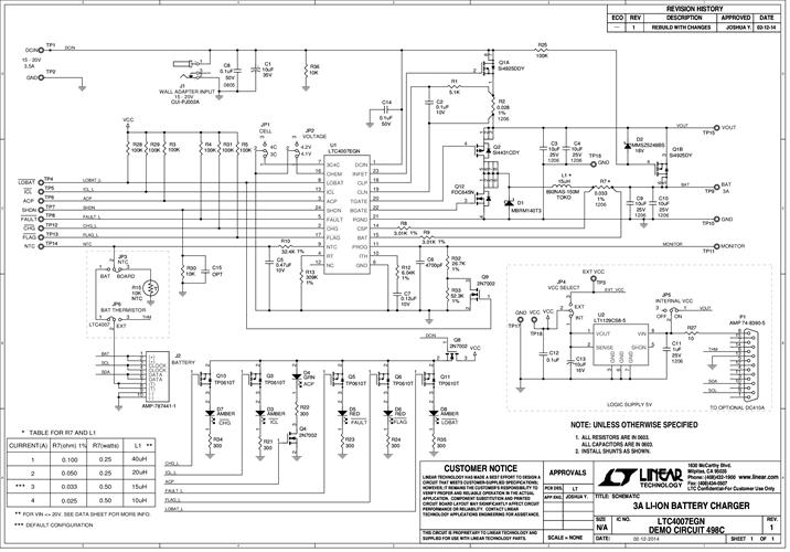
演示电路498是一款内置充电终止功能的单电池独立电池充电控制器,内置LTC4007。输入电压为13至20V。充电器输出电压通过跳线进行编程以支持电池电压为4.1V或4.2V/节的3节和4节锂离子电池。最大充电电流为4A。该演示板最初配置为12.6V锂离子电池。上电之前,只要对连接的电池施加输入功率,该电路板即可自动为电池充电至端接。为CHG、ACP、FAULT、FLAG、ICL和LOBAT提供状态LED。提供板载NTC热敏电阻。
相关产品
文档
-
DC498C - Schematic2014/11/21PDF46K
-
DC498C - Demo Manual2014/11/21PDF136K
-
DC498C - Design Files2014/11/21ZIP2M
