概览
产品详情
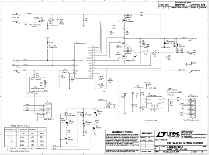
演示电路495是一款内置充电终止功能的单电池独立电池充电控制器,内置LTC4006。输入电压为9至20V。充电器输出电压固定为2节8.4V锂离子电池。最大充电电流为2A。上电之前,只要对连接的电池施加输入功率,该电路板即可自动为电池充电至端接。为CHG、ACP和C/10提供状态LED。提供板载NTC热敏电阻。虽然该充电器不是一款智能电池充电器,但提供的通用智能电池连接器可用于通过可选DC1223A-B演示板和软件进行数据记录。更清楚的是,无需智能电池即可使用该电路板。用于监控智能电池的可选DC1223A-B SMBUS转USB端口适配器和相关软件仅用于演示目的。如需订购DC1223A-B,请联系您的LT代表。
相关产品
文档
-
DC495B - Schematic2014/6/6PDF39K
-
DC495B - Demo Manual2014/6/6PDF126K
-
DC495B - Design Files2014/6/6ZIP1M
