概览
产品详情
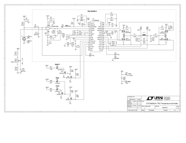
DC491A:LTC1923高效率热电冷却器控制器演示板。
文档
- 
                                                                
                                                                    
                                                                                                                                            DC491A - Schematic2009/9/24PDF33K
 
- 
                                                                
                                                                    
                                                                                                                                            DC491A - Demo Manual2009/9/24PDF475K
 
- 
                                                                
                                                                    
                                                                                                                                            DC491A - Design File2009/9/24ZIP930K
 
                                                
                                                
                                                
                                                
                                                
                                                




