文档
-
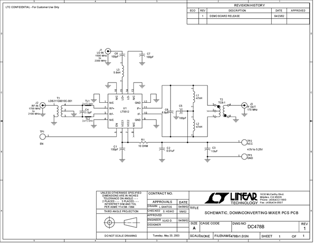
DC478B - Schematic2009/9/24PDF62K
-
DC478B - Demo Manual2009/9/24PDF150K
-
DC478B - Design File2009/9/24ZIP703K
