文档
-
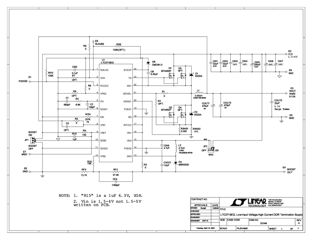
DC464A - Schematic2009/9/24PDF116K
-
DC464A - Demo Manual2009/9/24PDF491K
-
DC464A - Design File2009/9/24ZIP1M
