文档
-
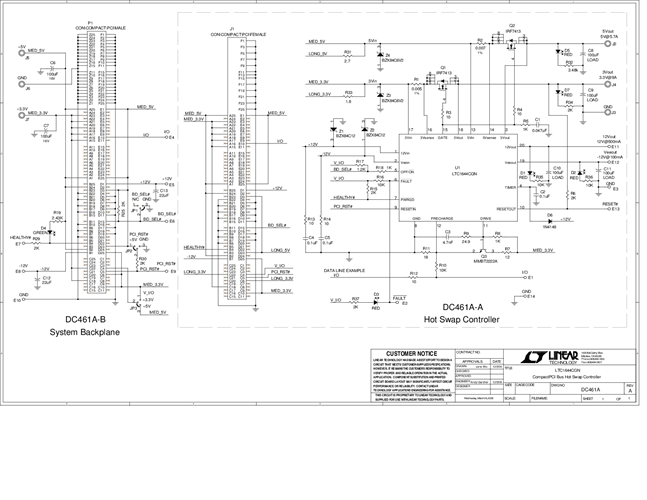
DC461A - Schematic2009/9/24PDF46K
-
DC461A - Demo Manual2009/9/24PDF612K
-
DC461A - Design File2009/9/24ZIP1M
