文档
-
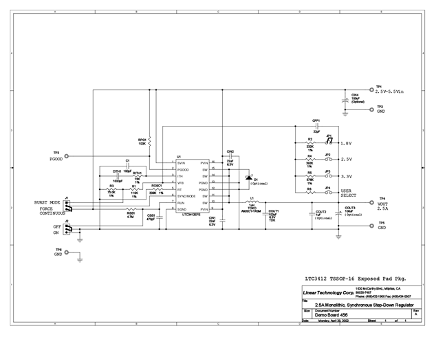
DC456A - Schematic2009/9/24PDF79K
-
DC456A - Demo Manual2009/9/24PDF60K
-
DC456A - Design File2009/9/24ZIP374K
