概览
产品详情
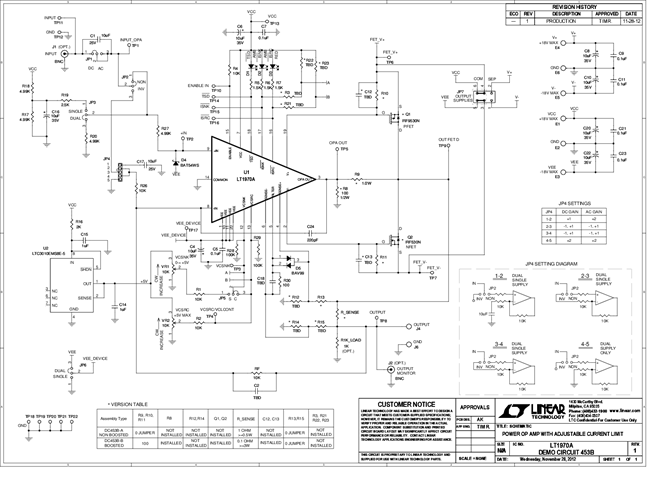
DC453B-A: Demo Board for LT1970A 500mA Power Op Amp with Adjustable Precision Current Limit.
相关产品
文档
-
DC453B - Schematic2013/3/27PDF73K
-
DC453B - Demo Manual2013/3/27PDF245K
-
DC453B - Design Files2013/3/27ZIP1M
