文档
-
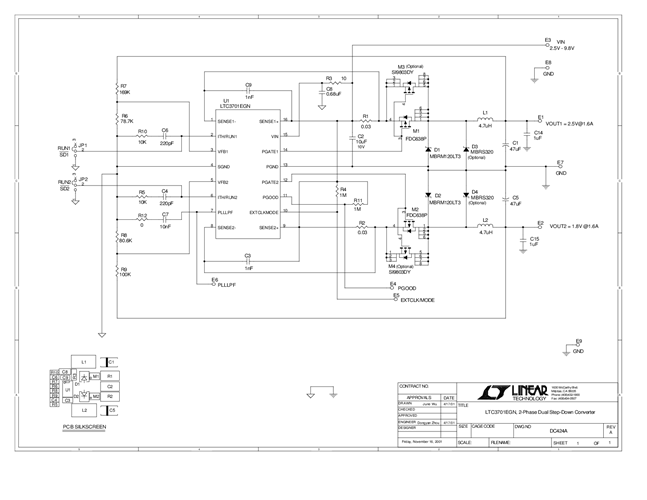
DC424A - Schematic2009/9/24PDF25K
-
DC424A - Demo Manual2009/9/24PDF163K
-
DC424A - Design File2009/9/24ZIP338K
