概览
产品详情
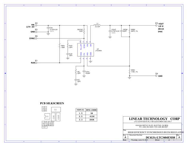
DC413A:LTC3404 1.4MHz高效率单芯片同步降压稳压器演示板
相关产品
文档
-
DC413A - Schematic2009/9/24PDF19K
-
DC413A - Design File2009/9/24ZIP612K
