概览
产品详情
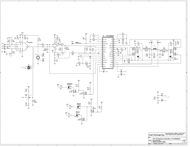
演示电路DC388使用LTC1923热电冷却器(TEC)控制器。它为光纤激光器基于TEC的温度控制提供了完整的温度控制解决方案。激光温度可控制在高于或低于环境温度,在变化很大的环境温度下,设定点稳定性通常在0.05ºC以内。使用螺丝刀驱动电位计或14位板载DAC建立温度设定点。LTC应用笔记AN-89《适用于光纤激光器的热电冷却器温度控制器》介绍了与TEC温度控制问题相关的更多详细信息。建议在评估演示板结果之前,先阅读该应用笔记。
文档
- 
                                                                
                                                                    
                                                                                                                                            DC388C - Schematic2014/1/21PDF44K
 
- 
                                                                
                                                                    
                                                                                                                                            DC388C - Quick Start Guide2014/1/21PDF14K
 
- 
                                                                
                                                                    
                                                                                                                                            DC388C - Design Files2014/1/21ZIP736K
 
                                                
                                                
                                                
                                                
                                                
                                                




