概览
产品详情
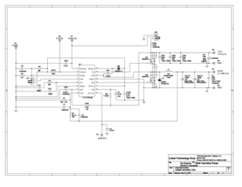
演示电路DC378是一款采用LTC1778无RSENSE开关稳压器控制器的同步降压稳压器。该控制器使用谷值电流控制架构提供极低的占空比,无需检测电阻。该演示板采用5V至25V电源电压工作,提供2.5V (10A)输出。
相关产品
文档
-
DC378A - Schematic2009/9/24PDF132K
-
DC378A - Demo Manual2012/8/3PDF197K
-
DC378A - Design File2009/9/24ZIP683K
