文档
-
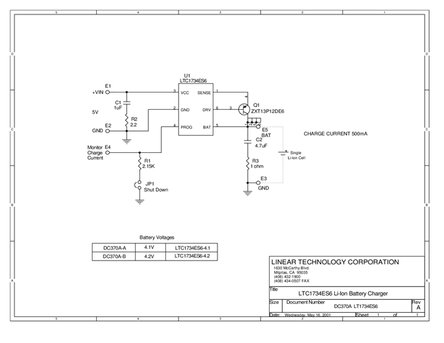
DC370A - Schematic2009/9/24PDF7K
-
DC370A - Demo Manual2009/9/24PDF182K
-
DC370A - Design File2009/9/24ZIP2M
