文档
-
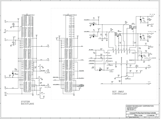
DC369A - Schematic2009/9/24PDF85K
-
DC369A - Demo Manual2009/9/24PDF100K
-
DC369A - Design File2009/9/24ZIP1M
