概览
产品详情
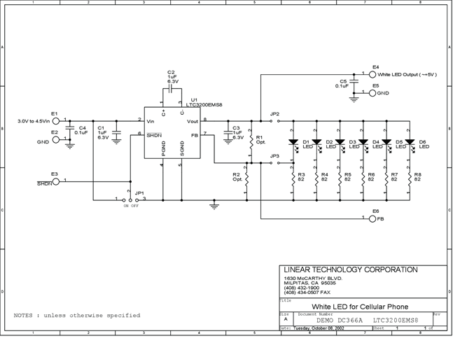
演示电路366A是一款低噪声恒频稳压电荷泵,内置100mA输出电流LTC3200。该演示板支持2.7V至4.5V输入电压,可驱动六个并联的白光LED,每个LED可产生16.6mA电流。镇流电阻用于通过并联的LED提供更均匀的光强度。
相关产品
文档
-
DC366A - Schematic2009/9/24PDF58K
-
DC366A - Demo Manual2009/9/24PDF120K
-
DC366A - Design File2009/9/24ZIP561K
