文档
-
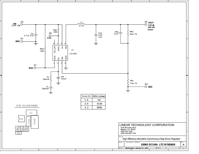
DC348A - Schematic2009/9/24PDF82K
-
DC348A - Demo Manual2009/9/24PDF188K
-
DC348A - Design File2009/9/24ZIP338K
