文档
-
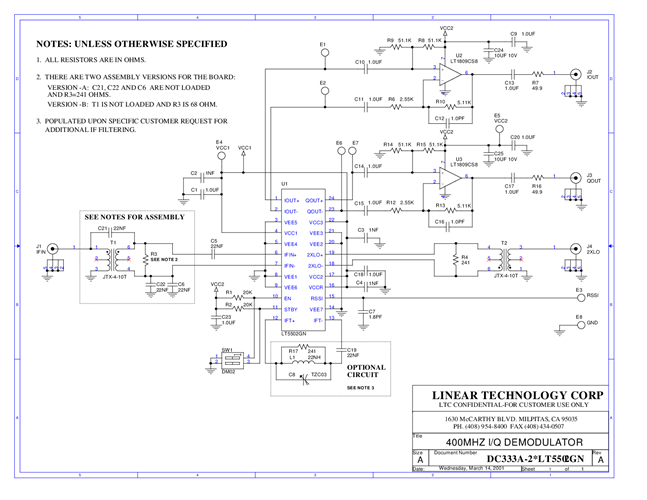
DC333A - Schematic2009/9/24PDF28K
-
DC333A - Demo Manual2009/9/24PDF159K
-
DC333A - Design File2009/9/24ZIP837K
