文档
-
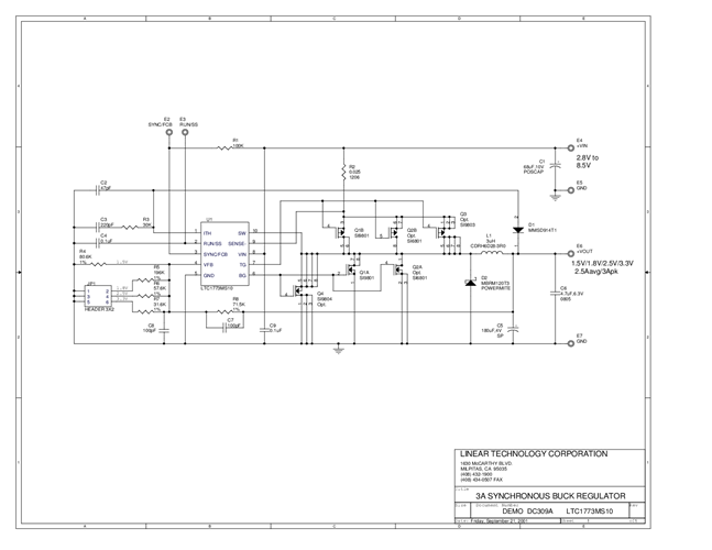
DC309A - Schematic2009/9/24PDF21K
-
DC309A - Demo Manual2009/9/24PDF252K
-
DC309A - Design File2009/9/24ZIP407K
