文档
- 
                                                                
                                                                    
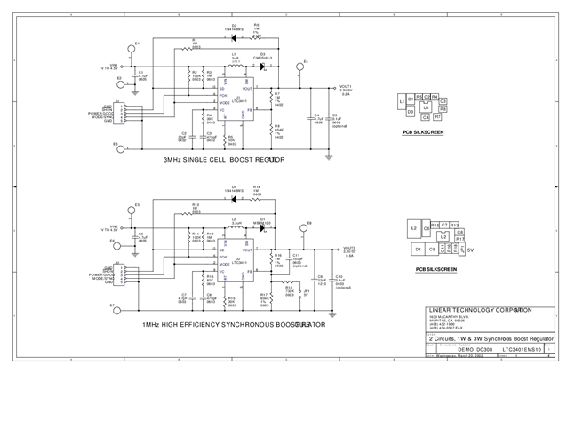
                                                                                                                                            DC308A - Schematic2009/9/24PDF24K
- 
                                                                
                                                                    
                                                                                                                                            DC308A - Demo Manual2009/9/24PDF199K
- 
                                                                
                                                                    
                                                                                                                                            DC308A - Design File2009/9/24ZIP374K
 
                             
                         
                         
                                                