文档
-
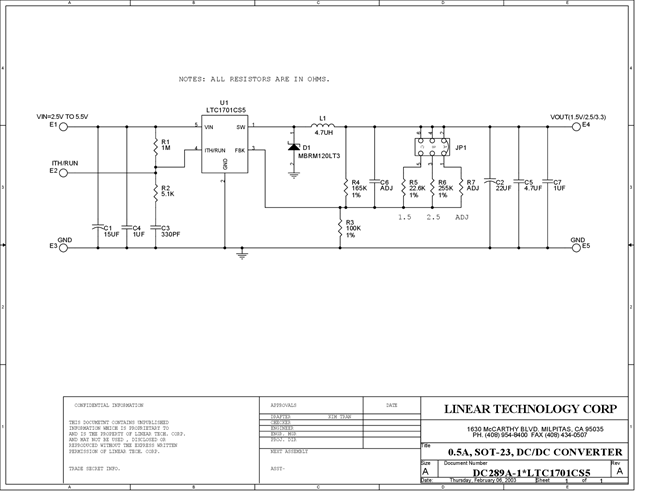
DC289A - Schematic2009/9/24PDF70K
-
DC289A - Demo Manual2009/9/24PDF108K
-
DC289A - Design File2009/9/24ZIP396K
