概览
产品详情
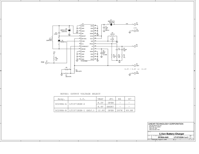
DC288A-B: Demo Board for the LT1571 Constant-Current/Constant-Voltage Battery Charger with Preset Voltage and Termination Flag.
相关产品
文档
-
DC288A - Schematic2009/9/24PDF25K
-
DC288A - Design File2009/9/24ZIP500K
