文档
-
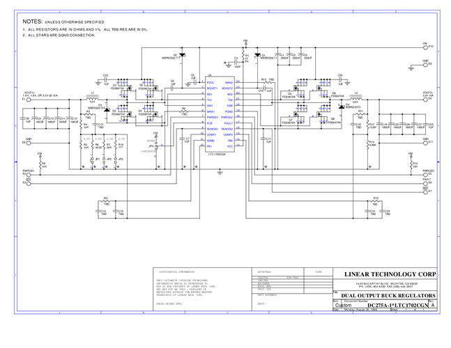
DC275A - Schematic2009/9/24PDF40K
-
DC275A - Demo Manual2009/9/24PDF326K
-
DC275A - Design File2009/9/24ZIP1M
