文档
-
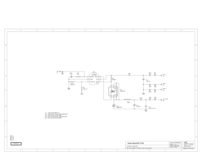
DC270A - Schematic2009/9/24PDF17K
-
DC270A - Demo Manual2009/9/24PDF189K
-
DC270A - Design File2009/9/24ZIP48K
