文档
-
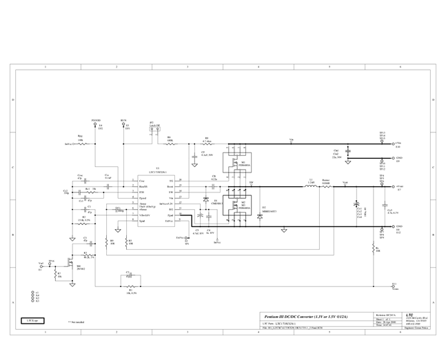
DC267A - Schematic2009/9/24PDF30K
-
DC267A - Demo Manual2009/9/24PDF63K
-
DC267A - Design File2009/9/24ZIP720K
