概览
产品详情
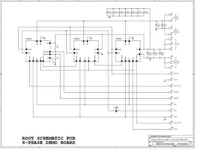
DC256A:LTC1629多相、高效率、同步降压开关稳压器演示板。
相关产品
文档
-
DC256A - Schematic2009/9/24PDF336K
-
DC256A - Design File2009/9/24ZIP1M
