概览
产品详情
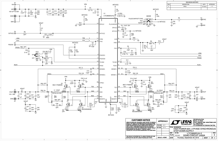
Demonstration circuit 2493A is a high output voltage capable, high efficiency synchronous PolyPhase® buck converter featuring the LTC3892EUH-2. The DC2493A has a wide input voltage range from 16V to 55V, and is capable of delivering up to 30A of output current. The output voltage of the DC2493A is set to 12V, however, the output voltage can go as high as 55V, with certain modifications. The DC2493A supports three operation modes: fixed-frequency modulation, pulse-skipping mode and Burst Mode® operation. Fixed-frequency mode of operation reduces output voltage ripple, and yields a low noise switching spectrum. Burst Mode operation employs a variable frequency switching algorithm that minimizes the input quiescent current and improves efficiency at light loads.
相关产品
文档
-
DC2493A - Schematic2017/1/3PDF75K
-
DC2493A - Demo Manual2017/1/3PDF421K
-
DC2493A - Design Files2017/1/3ZIP3M




