文档
-
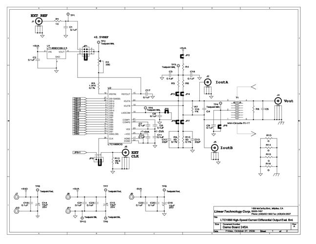
DC245A - Schematic2009/9/24PDF238K
-
DC245A - Demo Manual2009/9/24PDF51K
-
DC245A - Design File2009/9/24ZIP2M




