概览
产品详情
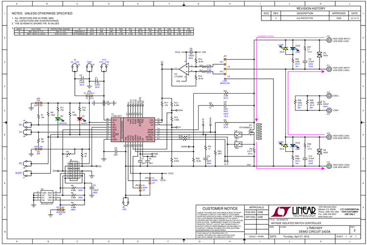
演示电路2423A展示了典型48V应用(–A)或高压380V应用(–B)中的LTM9100隔离式开关控制器。该板可配置为高端或低端工作模式,取决于将外部电源和负载连接到橡胶插座。板载电容负载也可以连接到该电路上。LED指示输入和输出电压存在。
相关产品
文档
-
Hot Swap Controllers2023/8/2PDF0 M
-
DC2423A - Schematic2017/3/8PDF32K
-
DC2423A - Demo Manual2017/3/8PDF480K
-
DC2423A - Design Files2017/3/8ZIP634K






