概览
产品详情
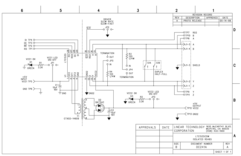
演示电路241B显示LTC1535隔离式RS485收发器。LTC1535具有2,500V隔离性能;芯片“左半部分”包含熟悉的RS485逻辑功能和隔离开关转换器,“右半部分”包含RS485收发器。两侧均包括通信部分,以便跨越内部电容隔离栅来回发送数据。
文档
-
DC241 - Schematic2009/9/24PDF75K
-
DC241B - Demo Manual (Rev. A)2011/8/17PDF202K
-
DC241B - Design File2009/9/24ZIP436K




