概览
产品详情
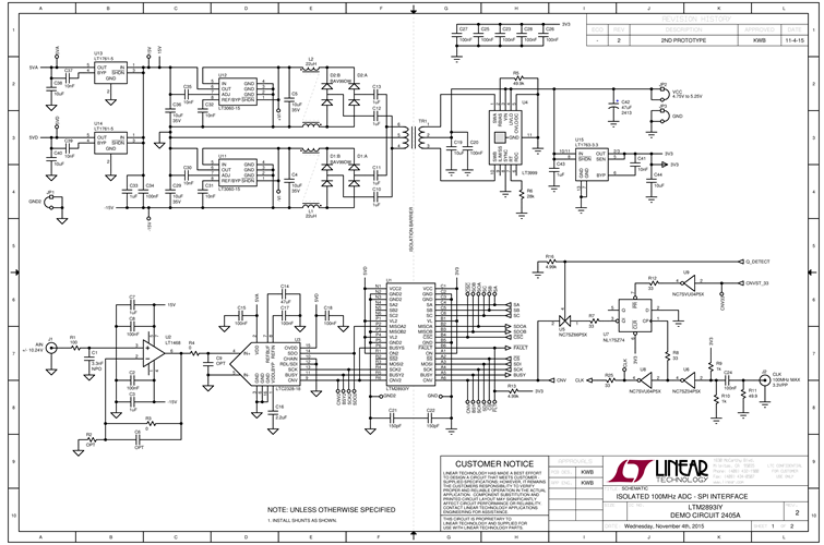
演示电路2405A展示一款用于隔离LTC2328-18并与其接口的LTM2893。LTM2893是一款高速SPI隔离器,用于与具有完整控制信号的只读ADC接口。LTC2328-18是一款低噪声、高速18位逐次逼近型寄存器(SAR) ADC。使用LT3999推挽驱动器和隔离变压器将低噪声隔离电源传送到隔离侧。
文档
-
DC2405A - Schematic2016/12/16PDF54K
-
DC2405A - Demo Manual2016/12/16PDF1M
-
DC2405A - Design Files2016/12/16ZIP1M
