概览
产品详情
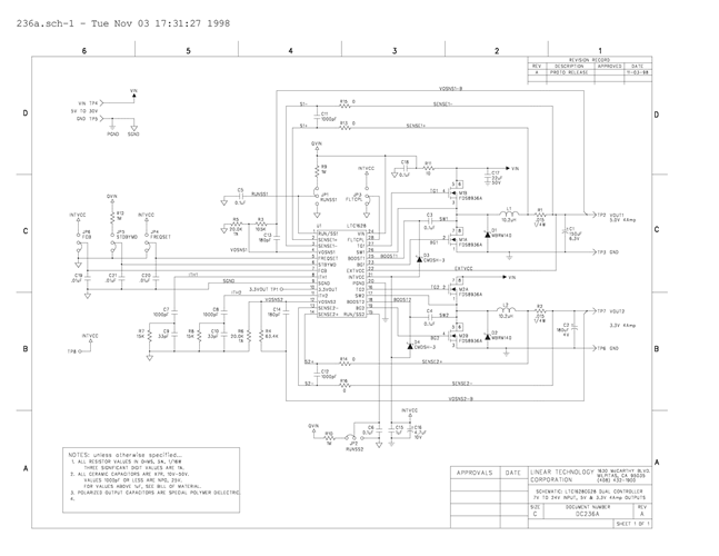
DC236C-C: Demo Board for the LTC1628 High Efficiency, 2-Phase Synchronous Step-Down Switching Regulator.
相关产品
文档
- 
                                                                
                                                                    
                                                                                                                                            DC236C - Schematic2009/9/24PDF187K
- 
                                                                
                                                                    
                                                                                                                                            DC236C - Demo Manual2009/9/24PDF384K
- 
                                                                
                                                                    
                                                                                                                                            DC236C - Design File2009/9/24ZIP479K
 
                             
                         
                         
                                                