概览
产品详情
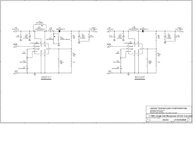
DC231A:LT1610 1.7MHz、单节电池微功耗DC/DC转换器演示板。
相关产品
文档
-
DC231A - Schematic2009/9/24PDF56K
-
DC231A - Design File2009/9/24ZIP175K
