概览
产品详情
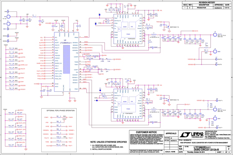
演示电路2312A是一款高电流、高效率、双相同步降压转换器,内置双路输出电压模式控制器LTC3882EUJ-1,与LTC3882相比,两个通道上均具有差分VOUT 检测和专用PGOOD输出特性。LTC3882-1具有PMBus接口和电源系统管理功能。
相关产品
文档
- 
                                                                
                                                                    
                                                                                                                                            DC2312A - Schematic2016/2/8PDF108K
- 
                                                                
                                                                    
                                                                                                                                            DC2312A - Demo Manual2016/2/8PDF1M
- 
                                                                
                                                                    
                                                                                                                                            DC2312A - Design Files2016/2/8ZIP2M
 
                             
                         
                         
                                                 
                                                 
                                                 
                                                


