概览
产品详情
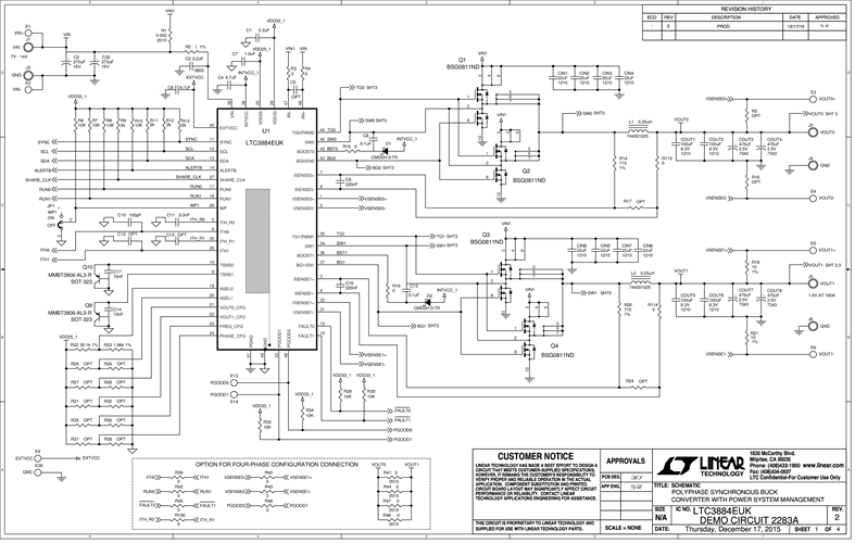
演示电路2283A是一款高效率、高密度、单路输出降压转换器,具有7V至14V输入电压范围。输出电压可在0.5V至1.5V范围内调整,并可提供最高160A的负载电流和1V输出。该演示板提供可配置为双通道输出转换器的选项,详情请联系工厂。VOUT0可提供40A最大负载电流,而VOUT1可提供120A最大负载电流。该演示板内置一款双通道输出多相降压控制器LTC3884,可提供超低DCR检测和数字电源系统管理功能。有关更多详细信息,请参见LTC3884数据手册。
相关产品
文档
-
DC2283A - Schematic2016/4/27PDF140K
-
DC2283A - Demo Manual2016/4/27PDF953K
-
DC2283A - Design Files2016/4/27ZIP6M
