文档
-
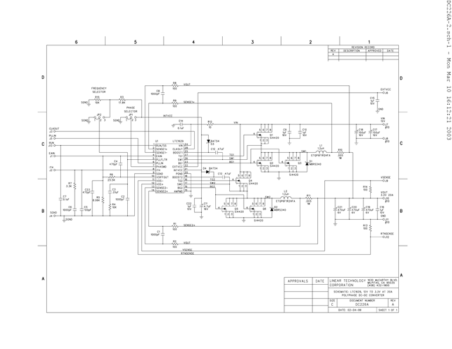
DC226A - Schematic2009/9/24PDF88K
-
DC226A - Demo Manual2009/9/24PDF105K
-
DC226A - Design File2009/9/24ZIP849K
