概览
产品详情
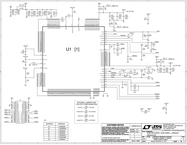
Demonstration circuit 2268A-B is a high efficiency, high density, dual 18A, switch mode step-down power supply on a compact 1.5' × 1.2' PCB. It features the LTM4620A μModule regulator. The input voltage is from 5.5V to 16V. The output voltage is programmable from 0.6V to 5V. DC2268A-B can deliver up to 13A maximum in each channel. As explained in the data sheet, output current derating is necessary for certain VIN, VOUT, and thermal conditions. The board operates in continuous conduction mode in heavy load conditions. For high efficiency at low load currents, the resistor jumper (R1/R2) selects pulses-kipping mode for noise sensitive applications or Burst Mode® in less noise sensitive applications. Two outputs can be connected in parallel for a single 26A output solution with optional jumper resistors.
相关产品
文档
-
DC2268A - Schematic2016/3/31PDF65K
-
DC2268A-B - Demo Manual2016/3/31PDF739K
-
DC2268A-B - Design Files2016/3/31ZIP4M



